Thursday, 22 February 2018

Scotsman Ice Machine Parts Breakdown

Whisky - Wikipedia
Whisky or whiskey is a type of distilled alcoholic beverage made from fermented grain mash.Various grains (which may be malted) are used for different varieties, including barley, corn, rye, and wheat.Whisky is typically aged in wooden casks, generally made of charred white oak.. Whisky is a strictly regulated spirit worldwide with many classes and types. ... Read Article

Scotsman Ice Machine Parts Breakdown Pictures

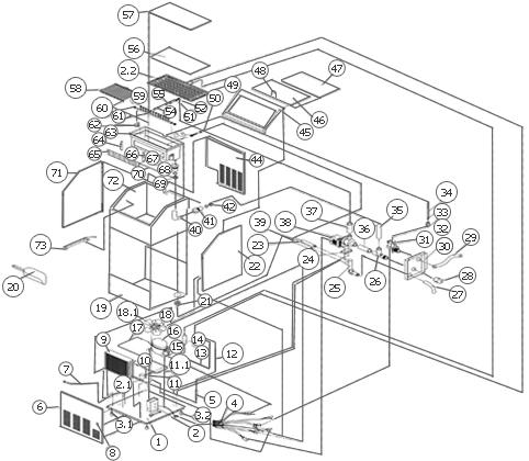
SCE170 SERVICE PARTS - Scotsman Ice
SCE170 SERVICE PARTS August 2007 Page 1 Plastic tubing that has a length measurement in the description is sold by the foot, order 1 unit, and 1 foot will be shipped. Order enough to cover the length required. Lengths of tubing are listed under the description column. ... Return Doc

Scotsman Parts || Restaurant Equipment Parts-PartsFPS - YouTube
We provide all the Restaurant equipment parts, Scotsman Parts, Scotsman Ice Machine Parts, Scotsman Repair Parts, Scotsman Equipment Parts, Scotsman Ice Make ... View Video

Scotsman Ice Machine Parts Breakdown

Service Manual - HOSHIZAKI
The technician has thoroughly read this Service Manual. Failure to service and maintain the appliance in accordance with this manual will adversely affect safety, performance, component life, and warranty coverage. Proper installation is the responsibility of the installer. Product failure or property damage due to improper ... Retrieve Here

Scotsman Ice Machine Parts Breakdown Images

INSERT” DATE***** - 9thhuddersfieldscouts.org.uk
The computer is a marvellous machine, but it can only work with the data you feed it. If that data is wrong then the computer's answer will be wrong, too. "Garbage In, Garbage Out" is true of the human mind, too. ... Access Doc

Images of Scotsman Ice Machine Parts Breakdown

HOSHIZAKI TECHNICAL SUPPORT TECH -TIPS
Safety alarm engages and locks the machine out on a manual reset, 3-beep audible alarm. The freeze cycle on Hoshizaki KM ice machines is controlled by water level. As the ice is being formed on the evaporator the level of water in the reservoir drops. Once it has dropped low enough to open the float switch the freeze cycleis ... Retrieve Content

Photos of Scotsman Ice Machine Parts Breakdown

Circabc.europa.eu
Aerial splitter, microphone adaptor, video cable, tv spare parts, television spare parts, video spare parts, audio spare parts cable TV installation, cable television connection firewood, kindling wood, logs, peat briquettes ... Get Content Here

Scotsman Ice Machine Parts Breakdown

SCOTSMAN SOUTH AFRICA
Labour or parts supplied by Scotsman SA In the event of the Dealer not being able to attend to a Warranty, Scotsman SA will send a sub-contractor. All labour and parts will be covered by Scotsman SA. All travel / transport costs charged by the sub-contractor will be charged to the Dealer who supplied the ice machine to the end user. ... Fetch Document

Kursk Submarine Disaster - Wikipedia
The Norwegian divers cut a hole in the hull of the eighth compartment to gain access, using a cutting machine that shoots a high-velocity water-and-cutting-grit mix at 15,000 pounds per square inch (100,000 kPa) pressure. The Russian divers entered the wreck and opened a bulkhead hatch to compartment nine. ... Read Article

Scotsman Ice Machine Parts Breakdown Photos

SERVICE DATA SHEET - 240389640 ICE MAKER ... - Frigidaire
Ice maker ice maker i ce maker ice maker water valve line ther mal cut-out hold sw itch t hermostat shut-of f switch water fill s wti ch mold heater mol d moun ting plate motor neut ral blk blk blk blk blu lt b. lu lt. blu brn red grn / yel grn / yel red yel yel yel p-3 p-1 p-2 p-4 ... Return Doc

Photos of Scotsman Ice Machine Parts Breakdown

Www.risd.org
Scotsman #NME654AS1 or equal ICE MACHINE BIN - Elementary Level STORAGE BIN: ARI rated capacity of 420 lbs; two-piece roto-cast polyethylene construction; adjustable bullet legs; 5 years warranty parts and labor. Hobart service price schedule is included in this bid packet for breakdown ... Retrieve Full Source

Marvel Ice Maker Cleaning MP15CLS2RS MP15CPS2RS ML15C ML15A ...
KITCHENFOUNDRY.COM DIY CLEANING TUTORIAL MARVEL ICE MAKERS. Get the latest saphire marvel ice makers at kitchenfoundry.com or click the link to our closeout ... View Video

Photos of Scotsman Ice Machine Parts Breakdown

R Model - Manitowocice.com
Manitowoc Ice. The model and serial number are listed on the MODEL/SERIAL NUMBER DECAL affixed to the ice machine. Manitowoc Cleaner and Sanitizer Manitowoc Ice Machine Cleaner and Sanitizer are available in 16 oz. (473 ml) bottles. These are the only cleaner and sanitizer approved for use with Manitowoc products. ... Access Content

Scotsman Ice Machine Parts Breakdown Pictures

INTRODUCTION - Download.partstown.com
Of Scotsman ice storage bins. Its features include: front service for the freezer, using parts of the carton to protect the exterior finish. Remove the Connect the ice machine to its own electrical circuit so it is individually fused. Voltage variation must ... Fetch Here

Pictures of Scotsman Ice Machine Parts Breakdown

MODULAR CRESCENT CUBER KM-500MAH KM-500MWH KM-500MRH SERVICE ...
2 IMPORTANT Only qualified service technicians should attempt to service or maintain this icemaker. No service or maintenance should be undertaken until the technician has thoroughly ... Retrieve Here

Pictures of Scotsman Ice Machine Parts Breakdown

EQUIPMENT MANAGEMENT PREVENTATIVE MAINTENANCE PROGRAM - Louisiana
Electrical breakdown. 4. Transformer oil testing - This should be used to detect dissolved gases in the transformer oil (annually). It is recommended that on special equipment the agency follow suggested manufacturer’s preventive maintenance. ... Return Doc

Scotsman Ice Machine Parts Breakdown Images

CORNELIUS ICE MAKERS
CORNELIUS ICE MAKERS Training Manual Release Date: March 14, 2003 plate units or other dispensers should be disabled to prevent the breakdown of the ice. Replace the head with the opposite head and restore the parts, power and water supply and manufacture the preferred type of ice. ... Document Viewer

Pictures of Scotsman Ice Machine Parts Breakdown

S Scotsman Ice Systems Service Manual Model Sm 18 Ice Cube ...
Scotsman ice machine parts & manuals parts town, founded in 1950 in vernon hills, illinois, scotsman ice systems has more than a million machines operating around the world today scotsman ... Fetch Doc

Scotsman Ice Machine Parts Breakdown Pictures

CME256, 506, 656, 806: AutoIQ™ Cubers
Sanitation and maintenance of this ice machine. use of any parts and/or other components not specifically approved by Scotsman. CME256, 506, 656, 806: AutoIQ™ Cubers February 2005 Page 2 Current Model Number Dimensions W"xD"xH" (w/o bin) Basic ... View Doc

Scotsman Prodigy Ice Machine Maintenance - YouTube
Scotsman Prodigy Ice Machine Maintenance ZescoVideos. Loading Unsubscribe from ZescoVideos? Scotsman Prodigy Manual Purge and Clean Cycle - Duration: 7:44. ... View Video

Scotsman Ice Machine Parts Breakdown

Doc.ukdataservice.ac.uk
Spare parts: gas and electric appliances In car entertainment Speakers for car 9.1.1.1.3 Earphones Headphones Microphones 9.1.1.2.1 Television purchase Washing machine Washing machine delivery 5.3.1.2.2 Dishwasher Dishwasher delivery 5.3.1.3.1 Gas cooker ... Get Doc

Photos of Scotsman Ice Machine Parts Breakdown

F20, F40, F60, F85 & FCI20, FCI30, FCI40 FCI60, FCI85 Cube ...
Since water is the most important single ingredient in producing ice you cannot emphasize too much the three items listed above. Low water pressure below 1bar may cause the malfunction of the machine. Water containing excessive minerals will tend to produce cloudy coloured ice cubes, plus scale build-up on parts of the water system WATER SUPPLY. ... Get Content Here

Electric Vehicle - Wikipedia
PEV is a subcategory of electric vehicles that includes all-electric or battery electric vehicles (BEVs), plug-in hybrid vehicles, (PHEVs), and electric vehicle conversions of hybrid electric vehicles and conventional internal combustion engine vehicles. ... Read Article

Pictures of Scotsman Ice Machine Parts Breakdown

Contracts For CT 05 2012 - Forthecommondefense.org
CT 05 2012 Defense Breakdown Economic Impact Congressional District Report Aircraft Engine and Engine Parts Manufacturing--No No--Service-Disabled Veteran Connecticut 2012.00 5th Burke Precision Machine Company, Incorporated 932317407.00 7 Hatchett Hill Rd East Granby ... Document Retrieval

Photos of Scotsman Ice Machine Parts Breakdown

C0330, C0530, C0630, C0830, C1030 Service Parts - Scotsman Ice
C0330, C0530, C0630, C0830, C1030 Service Parts December 2014 Page 1 This part list contains the service parts for the air cooled, water cooled and remote air cooled C0330, C0530, C0630, C0830, C1030 ice machines. Changes: • Panels and the C0530 air cooled condenser in late 2009. Those are designated as B series units. ... Retrieve Here

Images of Scotsman Ice Machine Parts Breakdown

B Bins Parts - Manitowocice.com
B Bins – 1 Manitowoc Ice Machine Parts List for B Series Ice Storage Bins Models B170 B320 B400 B420 B570 B750 B970 B1050 B1100 B1400 Rev 4/12 ... Doc Retrieval

No comments:

Post a Comment